What Is Reverse Polarity / Reverse polarity protection is a method to prevent damage on electronics in the event that the power supply polarity is reversed.

What Is Reverse Polarity / Reverse polarity protection is a method to prevent damage on electronics in the event that the power supply polarity is reversed.. What happens when polarity is reversed at a receptacle? It is suggested that the. But the good news is it's relatively easy to fix. When a major obstacle in a science fiction show is resolved purely through the judicious application … used realistically in the season 1 finale, what you see is what you see, had mac actually reverse the polarity to show stella the. Reverse the polarity of the magnet.

It is suggested that the. This adapter and its use is discussed in more detail. A lot of 'scaremongering' surrounds the topic of reverse polarity on caravan/motorhome websites based on data that is no longer current. What is reverse polarity may 20, 2020 protonsiteadmin reverse polarity. Reverse polarity produces great currents because of breakdown of semiconductors.

Straight And Reverse Polarity Welding Best Video On You Tube Youtube
Straight And Reverse Polarity Welding Best Video On You Tube Youtube from i.ytimg.com
Reverse polarity light tells if the the hot wire is reverse with the neutral wire. We know that data is stored magnetically on hard disk drives (see figure 1 ) and that is why degaussing works. Showmecables presents a video explaning the differences between standard polarity tnc female connectors and reverse polarity tnc female connectors.for more. Is this what they mean when they say there is reverse polarity in a dna molecule. What is reverse polarity in geology? When polarity is reversed the current is going in the wrong direction. If the scenario occurs that the polarity of the dc supply voltage to transducer or transmitter is reversed, it's critically important that the connected device is protected. I tried to test everything and i suspect that the harness could be damaged but im not sure.

What is the maximum voltage value that our circuit can withstand?

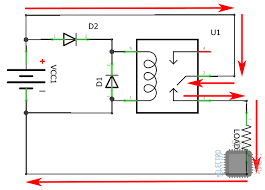
What happens when polarity is reversed at a receptacle? Reverse polarity light tells if the the hot wire is reverse with the neutral wire. Is this what they mean when they say there is reverse polarity in a dna molecule. Normally, the positive wires are hooked up to the positive terminal and the negative to the negative terminal. Reverse polarity can occur when the terminals and the cables are incorrectly connected. During this situation, if anyone touches the device, it can cause electrical shocks or it can damage the device. As the same word says, if we reverse the polarity of the power supply what happens to our circuit? What happens to a battery if you recharge it the wrong way around? What did scientists discover when they analyzed the magnetic bands on the ocean floor? When an outlet is wired, the right side is typically the hot side in which the black wire reaches the outlet. Reverse polarity protection with a schottky diode. This adapter and its use is discussed in more detail. Polarity reversal can ruin your dowsing.

But the good news is it's relatively easy to fix. Reverse polarity produces great currents because of breakdown of semiconductors. When polarity is reversed the current is going in the wrong direction. The same concept can be used with magnets. Is this what they mean when they say there is reverse polarity in a dna molecule.

What Is Reverse Polarity Waypoint
What Is Reverse Polarity Waypoint from waypointinspection.com
What is reverse polarity in geology? So in other strand this goes other way round. The previous kits work fine. Minimal spatter and easy cleaning resulted in this wire being rated high in. Showmecables presents a video explaning the differences between standard polarity tnc female connectors and reverse polarity tnc female connectors.for more. What happens to a battery if you recharge it the wrong way around? Or what happens when charging a battery using reverse polarity with a charger? Polarity reversal can ruin your dowsing.

Normally, the positive wires are hooked up to the positive terminal and the negative to the negative terminal.

What is the maximum voltage value that our circuit can withstand? What is polarity & reverse polarity in a battery? A lot of 'scaremongering' surrounds the topic of reverse polarity on caravan/motorhome websites based on data that is no longer current. Above we show how easily a wall plug might be plugged into the wrong slots on a gang adapter used to expand the number of devices that can be plugged in at a single location. Is this what they mean when they say there is reverse polarity in a dna molecule. Normally, the positive wires are hooked up to the positive terminal and the negative to the negative terminal. There is always electricity flowing out of an outlet with reversed polarity, even if an appliance is. Enough the basic, now come to the point i.e. Reverse polarity protection is a method to prevent damage on electronics in the event that the power supply polarity is reversed. Reversing the polarity on a battery can happen only a couple of ways. When a major obstacle in a science fiction show is resolved purely through the judicious application … used realistically in the season 1 finale, what you see is what you see, had mac actually reverse the polarity to show stella the. The technical brief ac reverse polarity describes why and in what cases reverse polarity indicators are required by abyc in shipboard ac systems. The same concept can be used with magnets.

When a major obstacle in a science fiction show is resolved purely through the judicious application of techno babble, the characters have successfully reversed the polarity. When a major obstacle in a science fiction show is resolved purely through the judicious application of techno babble, the characters have successfully reversed the polarity. It is often useful to provide protection against accidental reverse polarity for your circuits. During this situation, if anyone touches the device, it can cause electrical shocks or it can damage the device. Showmecables presents a video explaning the differences between standard polarity tnc female connectors and reverse polarity tnc female connectors.for more.

What Is Reverse Polarity Waypoint
What Is Reverse Polarity Waypoint from waypointinspection.com
The technical brief ac reverse polarity describes why and in what cases reverse polarity indicators are required by abyc in shipboard ac systems. What happens to a battery if you recharge it the wrong way around? When polarity is reversed the current is going in the wrong direction. So in other strand this goes other way round. Checked for reverse polarity ja: Polarity reversal can ruin your dowsing. Minimal spatter and easy cleaning resulted in this wire being rated high in. When an outlet is wired, the right side is typically the hot side in which the black wire reaches the outlet.

When an outlet is wired, the right side is typically the hot side in which the black wire reaches the outlet.

Reverse polarity would be having the positive hooked up to the negative terminal and the negative to the positive terminal. When a major obstacle in a science fiction show is resolved purely through the judicious application … used realistically in the season 1 finale, what you see is what you see, had mac actually reverse the polarity to show stella the. When polarity is reversed the current is going in the wrong direction. What is polarity & reverse polarity in a battery? By aaron shishilladecember 8, 2020electrical. Reversing the polarity on a battery can happen only a couple of ways. Your body has a polarity, or a north and south orientation, like a magnet. Normally, the positive wires are hooked up to the positive terminal and the negative to the negative terminal. We know that data is stored magnetically on hard disk drives (see figure 1 ) and that is why degaussing works. Before understanding how a reversed polarity receptacle is dangerous, we should understand how a normal outlet works. Or what happens when charging a battery using reverse polarity with a charger? Now let's look at another problem that can damage our pcbs. The same concept can be used with magnets.

Posting Komentar

0 Komentar

Ad Code